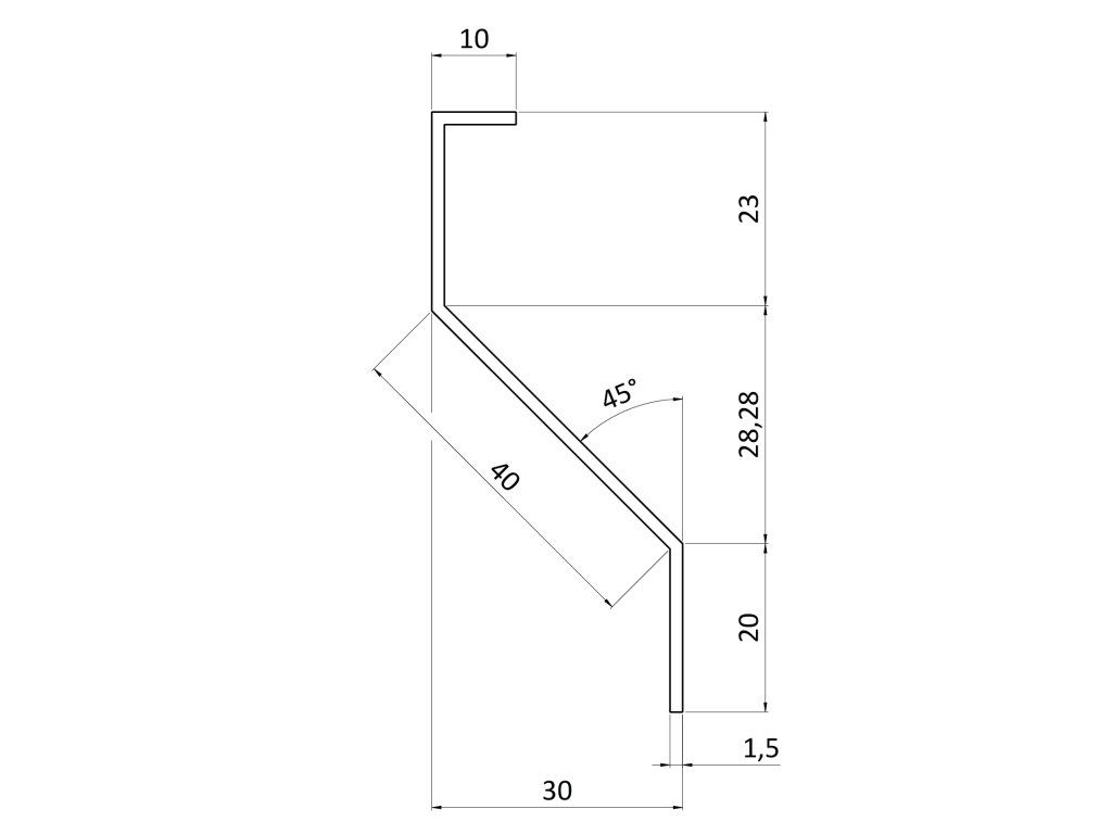
Poškodený Z lamela 23 x 40 x 20 x 1,5 x 4000 mm, pozink
Kód: I KLZE35ZN.4_POSKPodrobný popis
Ide o profil II. kvalitatívnej triedy. V praxi to znamená, že na profile sú isté poškodenia, malé preliačeniny, pokrivenia, nerovnosti či nedokonalosti. To ako vyzerajú, uvidíte na fotkách nižšie.

Dodatočné parametre
| Kategória: | Pozinkované profily a lamely |
|---|---|
| Hmotnosť: | 4.15 kg |
| Kusov v balení: | 0 Ks |
Diskusia
Buďte prvý, kto napíše príspevok k tejto položke.
