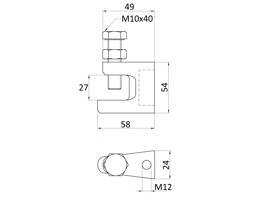
nosná svorka M12 0-26mm, nosnosť 2500N
Kód: NSV-M12Podrobný popis
Pomocou nosnej svorky je možné upevnenie na valcované profily I, IPE, U, UPE, HEA, HEB, L bez vŕtania a zvárania.
Skrutka je v špičke upravená tak, že nie je možné vyšmyknutie svorky z profilu.
Pri aplikácii nosných svoriek je nutné použitie momentového kľúča, dodržanie maximálneho uvedeného uťahovacieho momentu v tabuľke a dodržanie montážneho postupu priloženého v krabici.


Dodatočné parametre
| Kategória: | Úchyty a objímky |
|---|---|
| Hmotnosť: | 0.22 kg |
| Kusov v balení: | 0 Ks |
Diskusia
Buďte prvý, kto napíše príspevok k tejto položke.
