DOPREDAJ! PMCU12E.4630 - len v kite PRSP02A
Kód: N ND-SD-70Podrobný popis
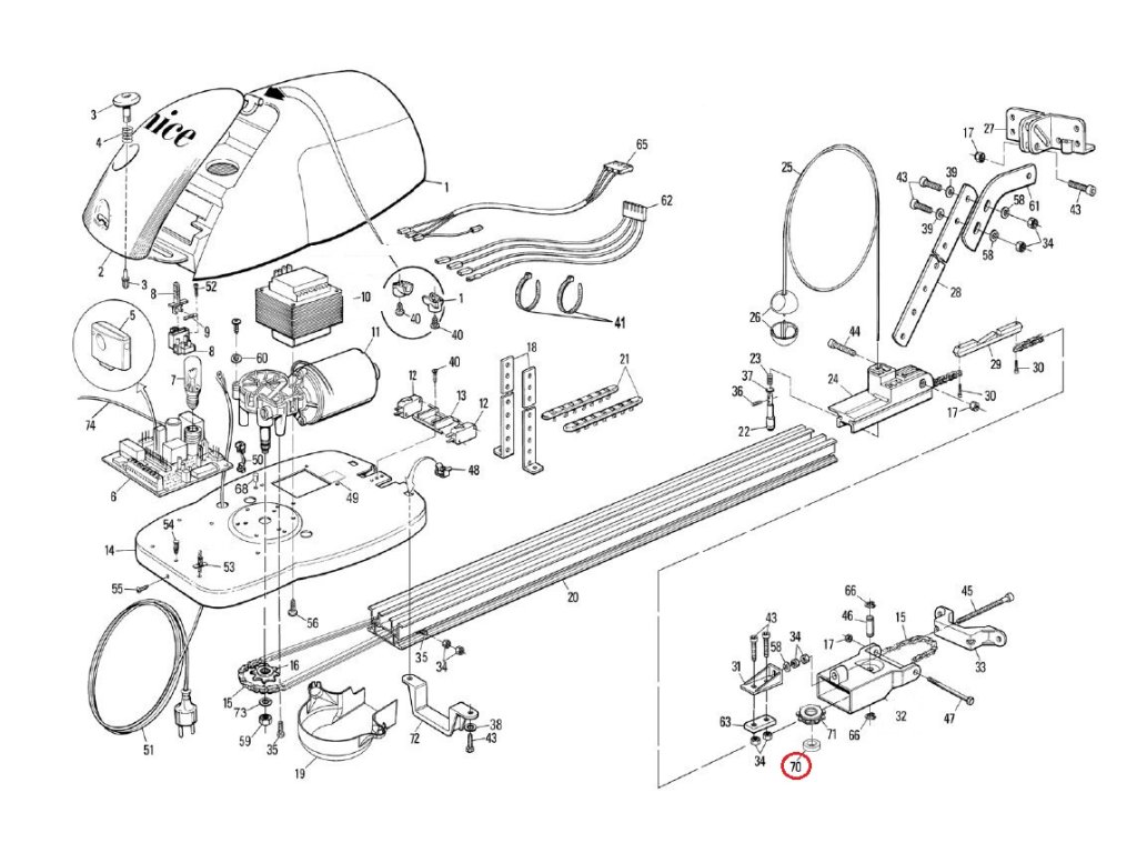
PMCU12E.4630 ložisko ZZ ozubeného kola pre SPIDO/SPIN
Dodatočné parametre
| Kategória: | GarážovéPohony brán Nice |
|---|---|
| Záruka: | 3 roky |
| Hmotnosť: | 0.3 kg |
| ? Značka: | NICE |
| Kusov v balení: | 0 Ks |
Diskusia
Buďte prvý, kto napíše príspevok k tejto položke.
