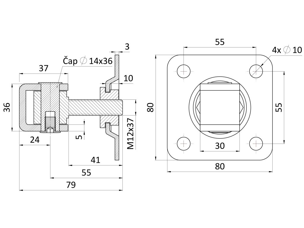
Záves M12 s platňou 80x80mm, otvárateľný 90° nastaviteľný 1D
Kód: W78/M12Podrobný popis
Záves M12 s platňou 80 × 80 mm, otvárateľný 90°, nastaviteľný 1D
Kompaktný, ale pevný záves M12 určený pre ľahšie brány, dvierka a kovové konštrukcie. Platňa s rozmermi 80 × 80 mm poskytuje stabilné uchytenie a výbornú podporu pre menšie krídla. Záves je nastaviteľný v jednom smere (1D), čo umožňuje jednoduché a presné doladenie pri montáži. Otvárateľnosť do 90° zabezpečuje praktickú manipuláciu v bežnej prevádzke.
Vlastnosti:
-
Nastaviteľný v 1 smere (1D)
-
Otvárateľnosť do 90°
-
Rozmery platne: 80 × 80 mm
-
Závit: M12
-
Vhodný pre ľahšie brány, dvierka a konštrukcie
Ideálne riešenie pre projekty, kde je potrebné kompaktné, nastaviteľné a pevné uchytenie s jednoduchou montážou.
Dodatočné parametre
| Kategória: | Nastaviteľné závesy |
|---|---|
| Hmotnosť: | 0.47 kg |
| Kusov v balení: | 0 Ks |
Diskusia
Buďte prvý, kto napíše príspevok k tejto položke.
