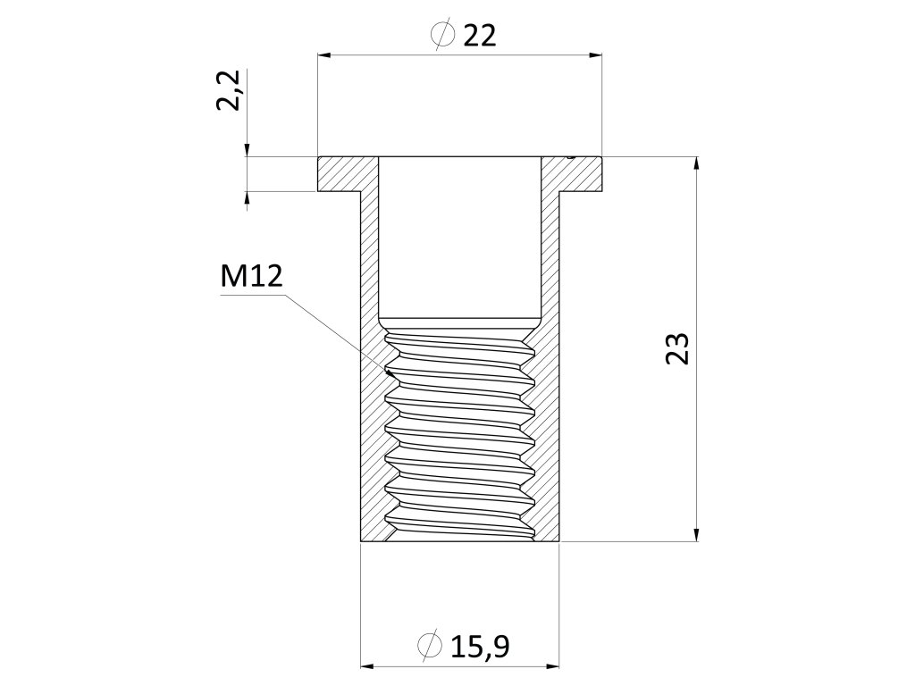
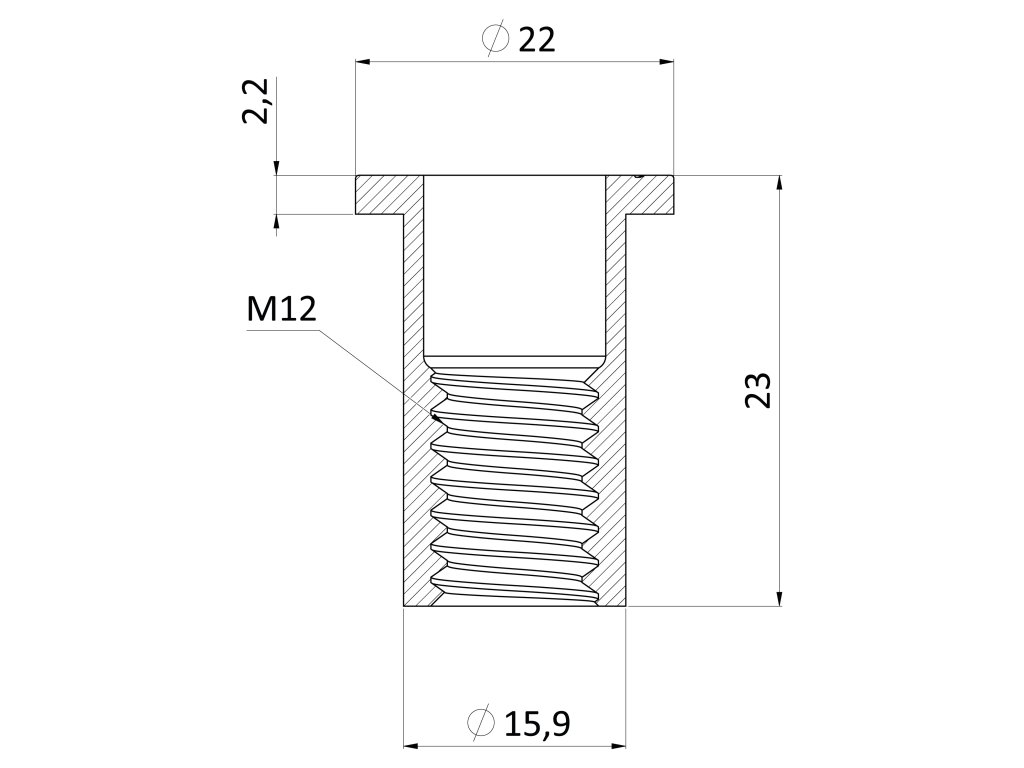
nitovacia matica M12/1.0-4.0/ plochá hlava, rýhovaný driek, VZ L = 23mm
Kód: FH-KB-1240Podrobný popis
nitovacia matica M5-M10 plochá hlava, rýhovaný driek-zákazníci tiež hľadali: upevňovacie prvky do plechu
detailnejšie informácie nájdete v tabuľke na stiahnutie
Dodatočné parametre
| Kategória: | Nitovacie matice |
|---|---|
| Hmotnosť: | 0.02 kg |
| Kusov v balení: | 0 Ks |
Diskusia
Buďte prvý, kto napíše príspevok k tejto položke.
