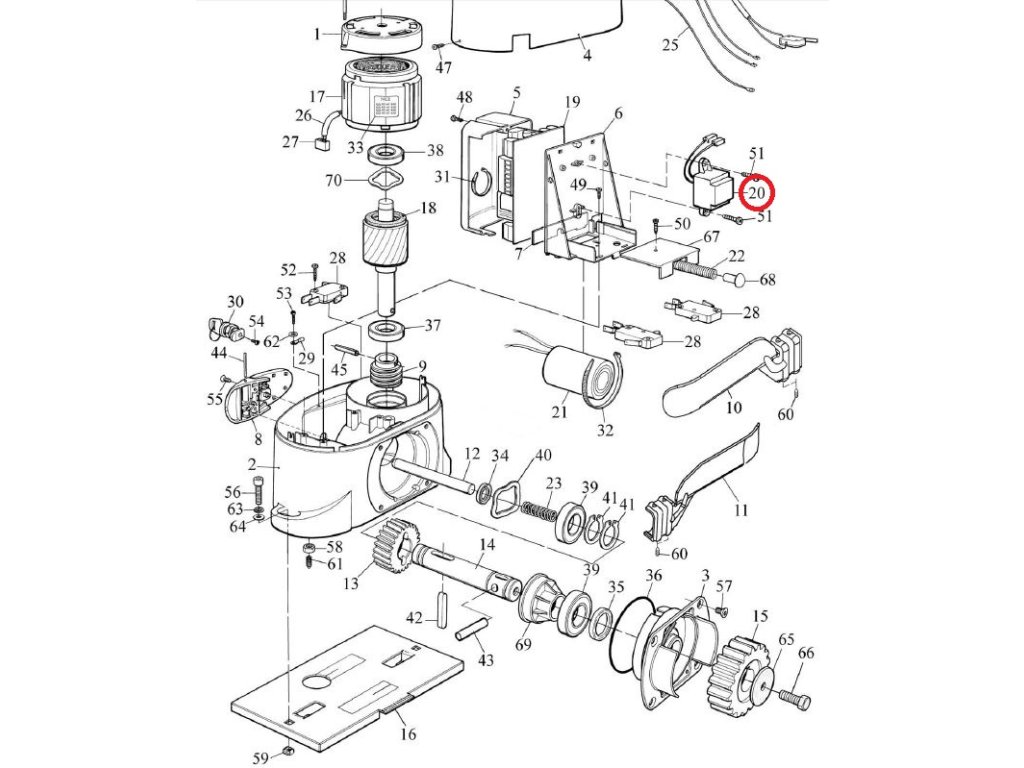
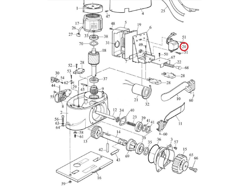
TRA-G.1025 transformátor 230V/21V/8AV pre ROBO1000
Kód: N ND-RO10-20Podrobný popis
TRA-G.1025 transformátor 230V/21V/8AV pre ROBO1000
Dodatočné parametre
| Kategória: | PosuvnéPohony brán Nice |
|---|---|
| Záruka: | 3 roky |
| Hmotnosť: | 1 kg |
| ? Značka: | NICE |
| Kusov v balení: | 0 Ks |
Diskusia
Buďte prvý, kto napíše príspevok k tejto položke.
