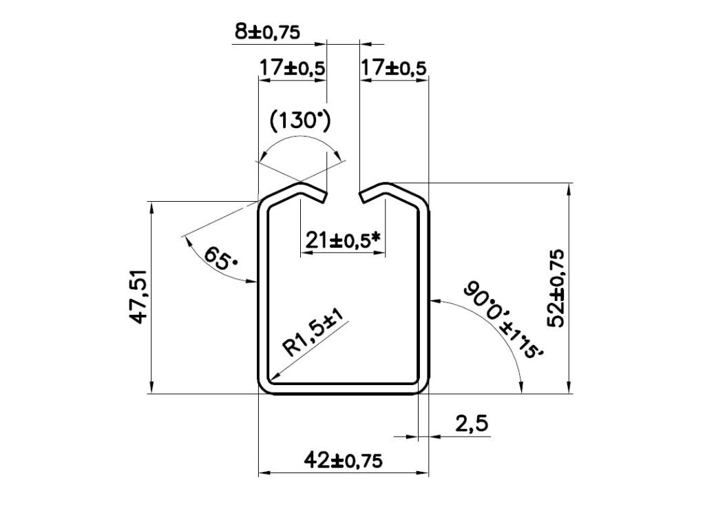
profil MEDIO 43x53x2,5mm, dĺžka 4m
Kód: C920MZN-4Podrobný popis
Kolajnica od popredného talianského výrobcu Combi Arialdo. Povrchová úprava- pozink. Použitie pre závesné brány.Kombinácia so závesným kolieskom C750M a C752M.
Dodatočné parametre
| Kategória: | Profily |
|---|---|
| Hmotnosť: | 12 kg |
| Kusov v balení: | 0 Ks |
Diskusia
Buďte prvý, kto napíše príspevok k tejto položke.
