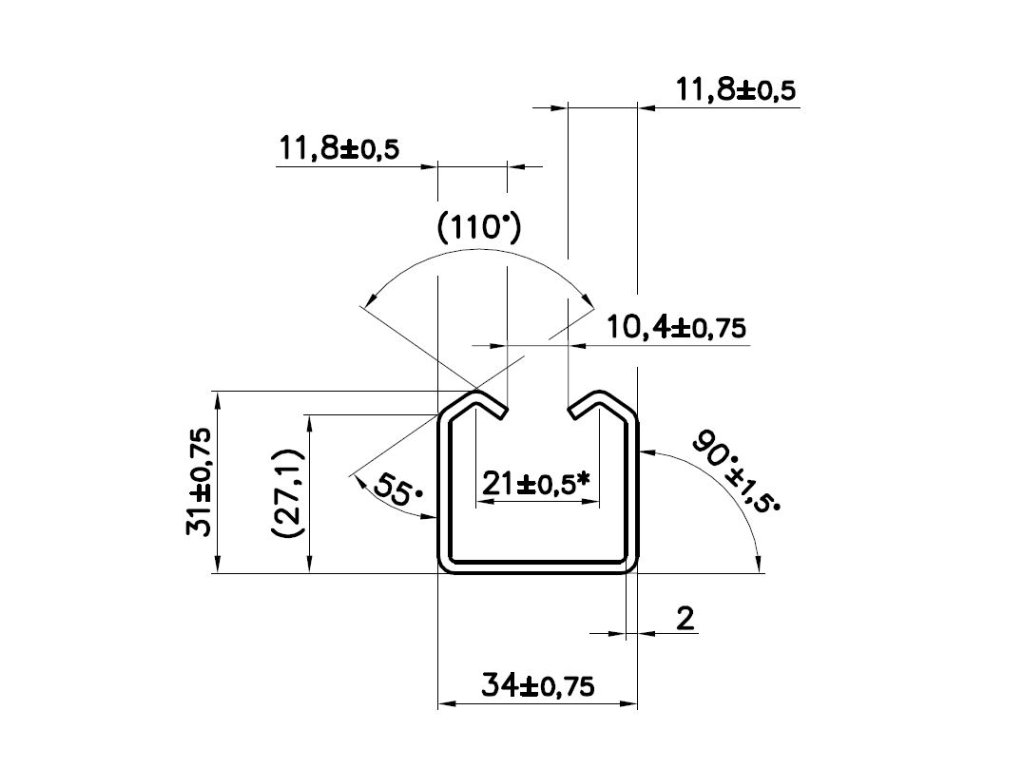
profil PICCOLO 34x31x2mm, dľžka 3m
Kód: C920PZN-3Podrobný popis
Kolajnica od popredného talianského výrobcu Combi Arialdo. Povrchová úprava- pozink. Použitie pre závesné brány.Kombinácia so závesným kolieskom C750P, C752P a C778.
Dodatočné parametre
| Kategória: | Profily |
|---|---|
| Hmotnosť: | 5.1 kg |
| Kusov v balení: | 0 Ks |
Diskusia
Buďte prvý, kto napíše príspevok k tejto položke.
