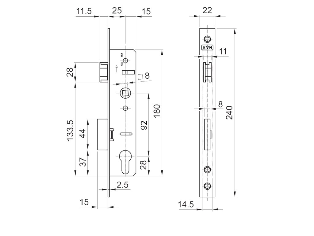
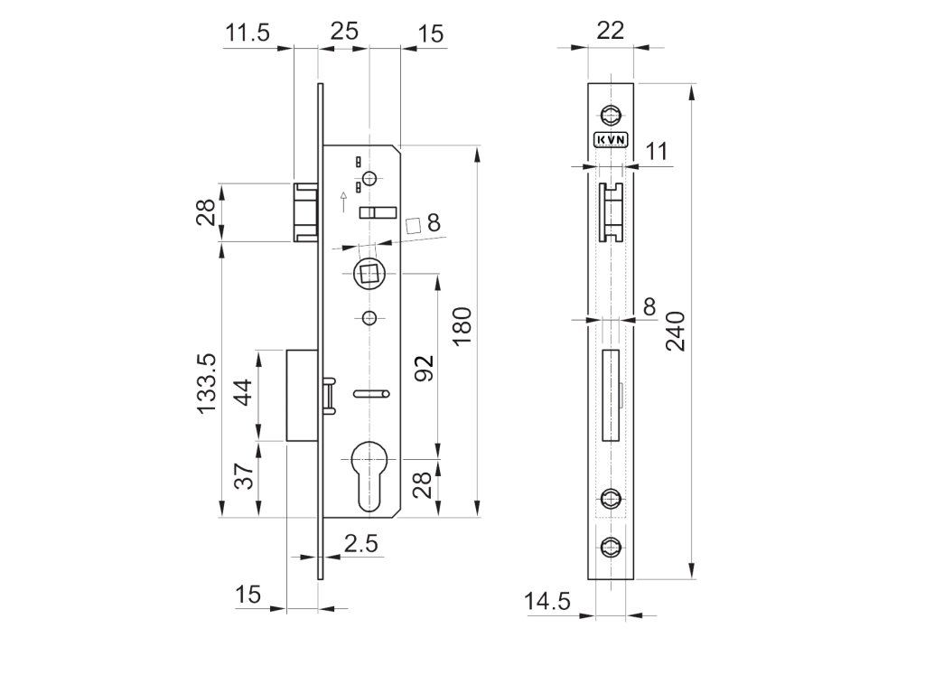
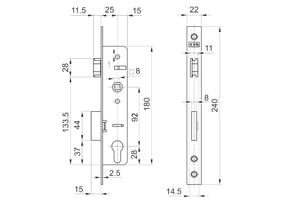
Zámok vložkový, zápust 40 mm, rozteč 92 mm, obojstranný
Kód: ZM92/40HPodrobný popis
Zámok vložkový, zápust 40mm, rozteč 92mm, poniklovaná predná lištaVyššia kvalita: Zámok je vyrobený z najkvalitnejších materiálov a je skonštruovaný tak, aby vydržal roky.
Vyššia bezpečnosť: Patentovaný systém uzamykania s 10 paracentrickými kolíkmi a kompozitným jazýčkom s ochranou proti prepíleniu zaručujú vysokú úroveň bezpečnosti a chránia váš domov pred vniknutím.
Jednoduchá inštalácia: Zámok je univerzálny pre pravé alebo ľavé použitie.
Dlhodobá spoľahlivosť: Testované na 200 000 otváracích cyklov a s 5-ročnou zárukou.
Dodatočné parametre
| Kategória: | Stavebné |
|---|---|
| Hmotnosť: | 0.52 kg |
| Kusov v balení: | 0 Ks |
Diskusia
Buďte prvý, kto napíše príspevok k tejto položke.
