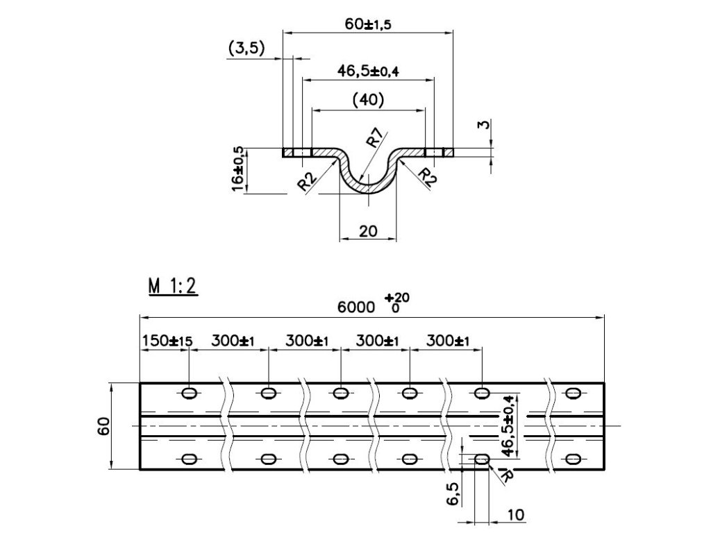
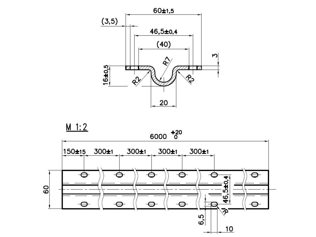
vodiaci profil U ø 20mm pre posuvné brány, dĺžka 6m, cena za kus
Kód: C902/20-6Podrobný popis
Vodiaci profil od popredného talianského výrobcu Combi Arialdo. Povrchová úprava- pozink. Použitie pre posuvné brány s kolieskami C400/80/20, C410/80/20, C410/100/20, C415/80/20, C425/80/20, C425/100/20, C430/90 ktoré majú vnutorný priemer žlabu 20mm. Väčšia zaťažiteľnosť s dvomi kolieskami na konzole C600/120, C600/160, C600/161.Dodatočné parametre
| Kategória: | Vodiace profily |
|---|---|
| Hmotnosť: | 10.2 kg |
| Kusov v balení: | 0 Ks |
Diskusia
Buďte prvý, kto napíše príspevok k tejto položke.
