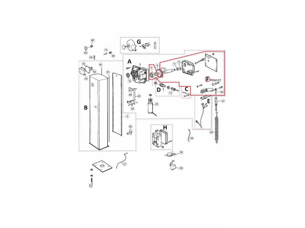
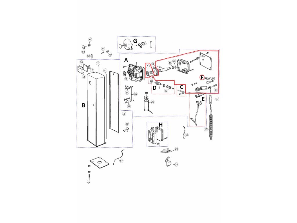
PRWL07 set na výmenu hriadele v prevodovke pre WIL6, 1000hran hriadeľ
Kód: N ND-WL6-FPodrobný popis
PRWL07 set na výmenu hriadele v prevodovke pre WIL6 , 1000hran hriadeľ
Dodatočné parametre
| Kategória: | ZávoryPohony brán Nice |
|---|---|
| Záruka: | 3 roky |
| Hmotnosť: | 1.5 kg |
| ? Značka: | NICE |
| Kusov v balení: | 0 Ks |
Diskusia
Buďte prvý, kto napíše príspevok k tejto položke.
