Nice Road 400 KCE - sada pohonu pre posuvnú bránu do 400 kg s diaľkovými ovládačmi
Kód: N ROAD400KITSúvisiaci tovar
Podrobný popis

Automatizácia posuvných brán s Nice Road 400 KCE
Nice Road 400 KCE je ideálnym riešením pre automatizáciu menších posuvných brán do 400 kg a dĺžky 8m v privátnom prostredí. Tento motor ponúka spoľahlivý výkon čo z neho robí skvelú voľbu pre domácnosti.
Telo pohonu je vyrobené z hliníkovej zliatiny, v ktorej je umiestnená prevodovka. Hornú časť tvoria ochranné plastové kryty, pod ktorými sa nachádza motor a riadiaca elektronika.
Pohon je vhodný pre brány s maximálnou hmotnosťou do 250 kg. Pri ťažších bránach odporúčame zvoliť výkonnejší model Robus 400.
Obsah zostavy
Základná sada obsahuje pohon s diaľkovými ovládačmi. V ponuke sú aj rozšírené verzie s fotobunkami a výstražným majákom. Sadu je možné ľubovoľne rozšíriť o ďalšie príslušenstvo.
- 1x motor Nice Road400
- 2x diaľkový ovládač INTI2
- 2x kľúč pre manuálne odblokovanie
- 1x sada koncových dorazov
- Oceľová pozinkovaná platňa pod motor


Inteligentná elektronika RBA4R10
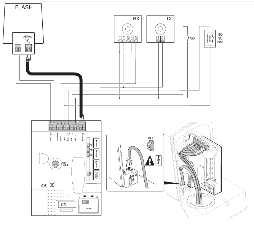
Riadiaca elektronika pohonu ROAD ponúka široké možnosti nastavenia a umožňuje pripojenie širokého spektra príslušenstva. K motoru odporúčame dokúpiť fotobunky, ktoré výrazne zvyšujú bezpečnosťpri používaní brány.
Vstavaný teplotný senzor pri nízkych teplotách automaticky zvyšuje výkon motora a zabezpečuje spoľahlivú prevádzku aj v chladnom počasí.
K novej riadiacej jednotke je možné pripojiť Wi-Fi modul, ktorý s pohonom komunikuje obojsmerne, vďaka čomu je možné nielen bránu ovládať, ale aj sledovať jej aktuálny stav.
Kompatibilita s hrebeňmi
Pohon je kompatibilný so všetkými hrebeňmi kroré máme v ponuke.
Vybrať si hrebeň

Parametre telefónu
Výhody produktu
Výborný pomer cena/výkon
Cenovo výhodný pohon pre menšie posuvné brányBezpečnosť
Pokročilé bezpečnostné funkcie zabezpečujú vysokú úroveň ochranyProgramovanie riadiacej jednotky
Intuitívne programovanie riadiacej jednotky iba pomocou 3 tlačidielDodatočné parametre
| Kategória: | Zostavy pohonov do 400 kg |
|---|---|
| Záruka: | 3 roky |
| Hmotnosť: | 10 kg |
| ? Hmotnosť: | Do 400kg |
| ? Značka: | NICE |
| Spotreba motora: | 1.1A |
| Napájanie: | 230V |
| Typ prevádzky: | běžný, bežná |
| Rýchlosť: | 25 cm/s |
| Maximálne zaťaženie: | 400kg |
| Verzia motora: | 24V |
| Dop. hmotnosť brány: | 250kg |
| Príkon: | 210W |
| Šírka prejazdu: | max. 8m |
| Pracovná teplota: | -20 +50st. |
| Typ brány: | posuvná |
| Riadiaca jednotka: | RBA4R10 |
| Stupeň ochrany: | IP44 |
| Dĺžka: | 360mm |
| Šírka: | 240mm |
| Výška: | 315mm |
| Maximálna sila pri rozbehu: | 400N |
| Nominálna sila: | 167N |
| Kusů v balení: | 1Ks |
-
Dodatok k návodu ROAD400 CZ
-
Návod na použitie CZ do 21.08.2018
-
Návod na použitie pro ovladač FLO2RE CZ
-
Návod na použitie CZ od 22.08.2018
-
Katalogový list ROAD CZ
-
Návod na použitie SK od 22.08.2018
-
Návod na použitie SK do 21.08.2018
Buďte prvý, kto napíše príspevok k tejto položke.




